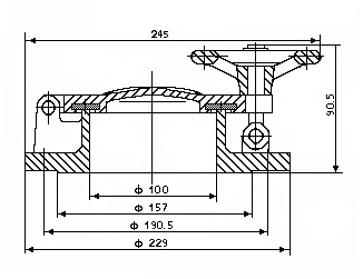
防靜電量油孔_防靜電量油孔結構圖
防靜電量油孔是用來測量罐內油面高低和調取油樣的專門附件。每個油罐頂上設置一個,大都設在罐
梯平臺附近。測量孔的直徑為150毫米,設有能密閉的孔蓋和松緊螺栓設有蓋扣松緊螺栓,蓋下密封槽和耐
油膠墊,管內側導向槽。當量油尺寸測量油料時必須直沿導向槽投下測量,嚴禁與管壁接觸劃碰。鋁合金旋
轉式量油孔設有蓋扣松緊螺栓,蓋下密封槽和耐油膠墊,管內側導向槽。當量油尺寸測量油料時必須直沿導
向槽投下測量,優(yōu)質鋁合金閥體起到金屬與管壁接觸劃碰不產生火花。量油孔構造主要由閥體、旋轉閂、拉
力腎、密封蓋、滾動栓組成。
防靜電量油孔應用:需要測量時,先打開鎖,旋開螺桿、翻開測量口密封件,將窄口式測量組件放在上蓋中
間擰緊,再按下中間密封操作手柄,就能打開筒體密封件,此時將測量尺從上方窄口縫中伸入,即可測量液
位的標高。
防靜電量油孔參數材料表:
|
殼體材質 |
鋁合金 |
|
密封件材質 |
耐油石棉橡膠、丁晴橡膠、聚四氟乙烯 |
|
公稱口徑 |
DN100-200 |
|
連接方式 |
法蘭鏈接 |
|
使用溫度 |
-20~+60℃ |
|
公稱壓力 |
0.6 MPa |
防靜電量油孔結構圖:
- 上一篇:黃銅量油孔_黃銅量油孔應用 2016/6/3
- 下一篇:使用Y型過濾器能增加河流的自凈能力 2016/6/2
免責聲明:
上述文章素材來源于網絡,版權歸原作者所有。我們對文中觀點保持中立,僅供參考,交流學習之目的。
